Архив заказов
В данном разделе находятся выполненные заказы. Открытые заказы находятся в разделе «Заказы».
Прошу рассчитать стоимость изготовления и предоставить КП на:
комплектующие плиты фильтровальной, согласно спецификации - 1компл.
Сталь 12Х21Н5Т заменяем на 304 нержавейку
К расчету только детали которые на чертежах, различные ролики диафрагмы из таблицы не нужны
указать условия по срокам, ндс, оплате, цены позиционные
рассмотрим поставщиков из всех регионов
Обязательно продублируйте КП на эл.почту
сбор предложений: 1неделя с даты публикации
заявка 1281 - матрицы, пуансоны
Прошу рассчитать стоимость изготовления и предоставить КП на:
гибочный комплект (матрица+пуансон) КТ 1590-1839 в количестве 1 шт.
указать условия по срокам, ндс, оплате, цены позиционные
рассмотрим поставщиков из всех регионов
сбор предложений: 1неделя с даты публикации
Необходимо изготовить ковш для литья. Кд в наличии.
заявка 002.1192 - вал
Прошу рассчитать стоимость изготовления и предоставить КП на:
Вал шпинделя циркульных пил- 2шт.
указать условия по срокам, ндс, оплате, цены позиционные
товар на импорт в Беларусь
рассмотрим поставщиков из всех регионов
сбор предложений: 1неделя с даты публикации
Добрый
день!
Прошу уточнить, возможно ли у Вас провести химическое никелирование деталей из алюминиевых сплавов, согласно ТЗ ?
сбор предложений: 1неделя с даты публикации
Прошу рассчитать стоимость изготовления и предоставить КП на:
(отливка+мех.обработка, материал ст.35Л)
Кольца на ровнитель - 2 компл (2шт + 2шт)
На припуски что указаны, не обращайте внимания - это они указывались, когда были заготовки.
Сейчас заготовок нет.
Если чертежи в чём-то непонятны - пришлём корректные.
Изучаем возможность Вашего полного изготовления.
указать условия по срокам, ндс, оплате, цены позиционные
рассмотрим поставщиков из всех регионов
сбор предложений: 1неделя с даты публикации
Прошу рассчитать стоимость изготовления и предоставить КП на:
(отливка+мех.обработка, материал ст.35Л)
Кольца на ровнитель - 2 компл (2шт + 2шт)
На припуски что указаны, не обращайте внимания - это они указывались, когда были заготовки.
Сейчас заготовок нет.
Если чертежи в чём-то непонятны - пришлём корректные.
Изучаем возможность Вашего полного изготовления.
указать условия по срокам, ндс, оплате, цены позиционные
рассмотрим поставщиков из всех регионов
добрый день , мы столкнулись с такой проблемой как нам приходят периодически изогнутые фланцы от поставщика и он ничего не может с этим сделать , может вы как то сможете нам помочь с этим вопросом , размер фланцев ( 800мм х 450мм х 10мм)
Сделать заготовки.
Нарезать трубу 19х1 на отрезки нужной длины и покрасить готовые отрезки в черный цвет. Отгрузить в транспорт заказчика в коробах или в связках.
Все материалы - исполнителя.
Рассмотрим исполнителей в регионах: Москва, Нижний Новгород, Владимир, Тверь и окраины.
Отрезки: 70 cм = 106 шт, 55 см = 212 шт, 40 см = 106 шт, 13 см = 424 шт. Итого: около 288 м.п.
Оплата: безнал, работаем и с НДС и без НДС.
От вас: предложение по цене за всю работу + ваше местоположение.
Писать в почту.
Не звонить, только писать в почту или мессенджеры.
Рассмотрим исполнителей в регионах: Москва, Нижний Новгород, Владимир, Тверь и окраины.
Имеем материал: Трубы круглые 19х1х6000 в количестве 112 шт.
Задача: Принять, выгрузить, порезать на отрезки, покрасить в черный цвет. Готовые изделия погрузить в наш транспорт.
Отрезки: 70 см = 200 шт, 55 см = 500 шт, 40 см = 30 шт, 13 см =
1007 шт.
Оплата: безнал, работаем и с НДС и без НДС.
От вас: предложение по цене за всю работу + ваше местоположение.
Требуется изготовление втулок с внутренней резьбой (левая+правая) и внешней накаткой. Объем 2000 шт.
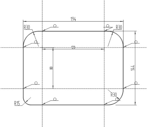
Требуется изготовить деталь. Чертежи во вложении.
Интересует стоимость и срок изготовления.
Ответить удобнее на E-mail
Необходимо изготовить 2 комплекта перфоформ (для гидр.пресса пробивки отверстий КВТ ППО-115) по разработанным чертежам. ТЗ с описанием прилагаю. Отвечу на необходимые вопросы.
Шпилька ГОСТ 22032 М6х20 6.6 цинк — 2100 – 11,05, ГОСТ 22032 М6х25 6.6 цинк — 1000 – 11,50
ГОСТ 22032 М6х35 6.6 цинк — 2000 – 12,3, ГОСТ 22032 М6х40 6.6 цинк — 1000 – 12,80
ГОСТ 22032 М6х48 6.6 цинк — 2000 – 13,80, ГОСТ 22032 М8х16 6.6 цинк — 2000 – 11,15
ГОСТ 22032 М8х20 6.6 цинк — 2100 – 12,05, ГОСТ 22032 М8х22 6.6 цинк — 1000 – 13,40
Необходимо изготовить Сегмент – 20 штук