Ваше местоположение: США, Калифорния, Эль-Монте

В данном разделе находятся выполненные заказы. Открытые заказы находятся в разделе «Заказы».

Разместить заказ Разместить заказ
Фильтр по заказам
км
-
-
Заказ выполнен
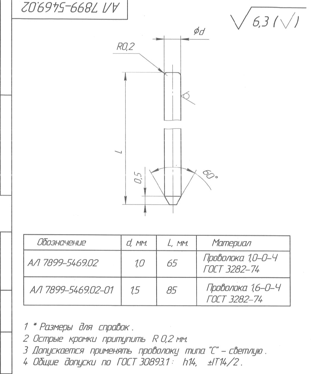
Россия, Чувашия, Чебоксары, 9889 км Заказ #15826 от 24.09.2025 (Обновлен: 28.11.2025)

Прошу рассмотреть возможность изготовления деталей по чертежам и отправить коммерческое предложение с указанием цены и сроков изготовления на эл. почту. 

Стать исполнителем и начать получать заказы
Заказ выполнен
Россия, Татарстан, Нижнекамск, 9994 км Заказ #15855 от 28.11.2025

Добрый день!

Прошу выставить счёт, согласно заявки и чертежей

Жду счета, заранее спасибо.

Кузнецова Гульнара Фаязовна/Kuznetsova Gul'nara Fayazovna

E-mail: kgf@tiscon.ru


Заказ выполнен
Россия, Нижегородская область, Нижний Новгород, 9821 км Заказ #15854 от 26.11.2025

Требуется выполнить термообработку труб диаметром 426 и длиной 7100

Заказ выполнен
Вологда, 9443 км Заказ #15853 от 26.11.2025

Требуется выполнить работы по профессиональной динамической балансировке дисковых фрез.

Хар-ки изделия:

Диам.: 98 мм

Посад. отв.: 22,2 мм

Материал: сталь

Режущие элементы: припаяны твёрдосплавными пластинами ВК8

Масса: 230 г Режим эксплуатации: УШМ, скорость 11 000 об/мин

Подробности в вордовском файле во вложении.

Заказ выполнен
Кемерово, 9810 км Заказ #15851 от 25.11.2025

Открыта заявка на изготовление по чертежу: Гайка S50 М33х2 L50 Проходная цена 180 руб./шт с НДС., 1шт — 0,54кг., с логистикой получаем не дороже 195 руб/шт с НДС. Готовые изделия должны быть подвергнуты химическому покрытию (как защита от ржавчины, любое бюджетное удобное для Вас — получаем обработанную химическим покрытием 016(Ц.хр.6мкр.) — нам нравится). Пробная партия по 300шт. По году потребность составляет до15 000шт. Если по качеству вопросов не будет возникать, сможем продолжать работу в дальнейшем. На объёмы гарантии и обещания не даём, заказываем по необходимости закрытия потребностей производства! Если договоримся о цене и по качеству вопросов не будет возникать, сможем продолжать работу в дальнейшем. Условия: Работаем по нашему договору поставки с НДС, после предоставления обязательного пакета документов при заключении договора поставки. Поставки до терминала в г.Кемерово ТК ЖелДорЭкспедиция. Поставщик упаковывает, доставляет до ближайшего терминала ТК ЖДЭ за свой счёт. Покупатель оплачивает услуги ТК ЖДЭ. Упаковка любая обеспечивающая сохранность груза и исключающая потери товара. В случае согласования службами (юридической, финансовой, безопасности) стандартные условия оплаты: 50% предоплата, остальные 50% в течении 3 рабочих дней, после приёмки в ТК и проверки по качеству на складе Покупателя. Потенциал наших потребностей производства разноразмерных деталей: торсионных валов, фланцев двигателей, пальцев сферических, крышек, гаек и шпилек достаточно широк!

Стать исполнителем и начать получать заказы
Заказ выполнен
Кемерово, 9810 км Заказ #15852 от 25.11.2025

Открыта заявка на изготовление по чертежу: Шпилька М33х2-L160. В случае нарезной резьбы, сталь должна применяться не ниже Ст40Х., в случае накатной сталь не ниже Ст.35 Без термообработки. По торцам фаски 2х45*. Проходная цена 230 руб./шт с НДС., 1шт — 1кг., с логистикой получаем не дороже 255 руб/шт с НДС.Готовые изделия должны быть подвергнуты химическому покрытию (как защита от ржавчины, любое бюджетное удобное для Вас — получаем обработанную химическим покрытием 016(Ц.хр.6мкр.) — нам нравится). Пробная партия по 300шт. По году потребность составляет до15 000шт. Если по качеству вопросов не будет возникать, сможем продолжать работу в дальнейшем. На объёмы гарантии и обещания не даём, заказываем по необходимости закрытия потребностей производства! Если договоримся о цене и по качеству вопросов не будет возникать, сможем продолжать работу в дальнейшем. Условия: Работаем по нашему договору поставки с НДС, после предоставления обязательного пакета документов при заключении договора поставки. Поставки до терминала в г.Кемерово ТК ЖелДорЭкспедиция. Поставщик упаковывает, доставляет до ближайшего терминала ТК ЖДЭ за свой счёт. Покупатель оплачивает услуги ТК ЖДЭ. Упаковка любая обеспечивающая сохранность груза и исключающая потери товара. В случае согласования службами (юридической, финансовой, безопасности) стандартные условия оплаты: 50% предоплата, остальные 50% в течении 3 рабочих дней, после приёмки в ТК и проверки по качеству на складе Покупателя. Потенциал наших потребностей производства разноразмерных деталей: торсионных валов, фланцев двигателей, пальцев сферических, крышек, гаек и шпилек достаточно широк!

Заказ выполнен
Россия, Приморский край, Владивосток, 8887 км Заказ #15850 от 21.11.2025

услуга покрытие изделия Цпзс.30.хр по ОСТ5З.9048-96 (Цинковое покрытие с повышенными защитными свойствами, толщина 30 мкм. +хроматирования)  основная проблема, это большой размер детали 1270х1170х220 мм. металлическое изделие Стакан прямоугольный. 

Заказ выполнен
Кабардино-Балкарская Республика, Нальчик, 11192 км Заказ #15849 от 20.11.2025

Необходимо изготовить 2 типа деталей по приложенным чертежам, по 5 шт. каждого типа

Заказ выполнен
Калининград, 9378 км Заказ #15848 от 20.11.2025
Добрый день!
Отправляем вам ТЗ на горячее цинкование, обработку и подготовку металлических изделий 
Стать исполнителем и начать получать заказы
Заказ выполнен
Россия, Санкт-Петербург, 9166 км Заказ #15847 от 19.11.2025

Необходимо изготовить Фланец - 10 штук

Заказ выполнен
Беларусь, Могилёвская область, Могилёв, 9770 км Заказ #15846 от 18.11.2025

Прошу рассмотреть возможность и выставить КП на изготовление 2-х плит. Необходимо выполнить только торцевые отверстия и нарезать резьбу в количестве 8-ми штук.

Заказ выполнен
Кемерово, 9810 км Заказ #15845 от 18.11.2025

Прошу рассмотреть возможность производства деталей по чертежам их поставки и дать предложение.Вал торсионный БЛЗ-202 в сборе с Упором сферическим БЛЗ-202 в количестве 10шт.Проходная цена на текущий момент по 17 940руб/шт с НДС + не более 1000руб/шт с НДС на логистику. Условия:Работаем по договору поставки с НДС.Поставки в г.Кемерово ТК "ЖДЭ".Поставщик упаковывает и доставляет до ближайшего терминала ТК "ЖДЭ"за свой счёт. Покупатель оплачивает услуги ТК "ЖДЭ".При благоприятной финансовой благонадёжности Поставщика: 50% предоплата, остальные 50% в течении 3 рабочих дней, после приёмки в ТК и проверки по качеству на складе покупателя.Потенциал наших потребностей производства разноразмерных деталей: торсионных валов, фланцев двигателей, пальцев сферических, крышек, гаек и шпилек достаточно широк!

Стать исполнителем и начать получать заказы
Заказ выполнен
Краснодар, 10919 км Заказ #15844 от 18.11.2025

Требуется резка партии керамогранита гидроабразивом. 50шт.

Столешницы размером 2000х900мм. Толщина 50мм.

Материал давальческий.

Заказ выполнен
Россия, Москва, 9763 км Заказ #15843 от 14.11.2025

Добрый день! Необходимо изготовить опору для 6-осевого робота - 1шт. КД, учетная карточка во вложении письма.

КП направлять на почту sibirkin@filters.ru 

Заказ выполнен
Мальта, Сан-Пауль-иль-Бахар, San Pawl il-Bahar, 10797 км Заказ #15842 от 05.11.2025
Добрый день.
Требуется формовка нержавейки AISI 304 1мм согласно макету во вложении.
14 элементов таких нужно.
Есть ли тех.возможность? Цена и сроки?
Заказ выполнен
Россия, Липецкая область, Липецк, 10136 км Заказ #15840 от 27.10.2025

Добрый день.

Прошу подсказать ваша организация занимается изготовлением пружины по образцу?

Сколько будет стоить изготовление 1 штуки с доставкой в город Липецк?

Стать исполнителем и начать получать заказы
Заказ выполнен
Россия, Свердловская область, Екатеринбург, 9904 км Заказ #15838 от 23.10.2025

Добрый день. Прошу дать коммерческое предложение на изготовление перечисленных деталей. 

Партии по 1 шт. каждого вида

Материал днищ Ст3, обработка отверстий только путем сверления. 

Материал ваш, возможно рассмотрение замены материала

Заказ выполнен
Россия, Москва, 9763 км Заказ #15836 от 18.10.2025

Необходим вкладыш для шатуна на ке2330 - 1 комплект. 

Диаметр внутренний 323 мм (чистовой размер 328 мм) 

Диаметр внешний 355 (чистовой размер 348 мм) 

ширина 170мм (чистовой размер 160 мм) 

Сплав: Броф 

1 комплект

Заказ выполнен
Россия, Чувашия, Чебоксары, 9889 км Заказ #15835 от 14.10.2025

Изготовление кольца, в количестве: 2 комплекта.

Материал: 40х