Внимание! На сайте появились неблагонадежные исполнители. Подробности
Ваше местоположение: США, Калифорния, Эль-Монте
(Архив) Заказ #15777 от 07.07.2025
- Тип
- Услуги
- Категории
- Электроэрозионная прошивка
- Местоположение
- Беларусь, Минск (9689 км)
- Имя
- Андрей
- Телефон
Эл. почта - Контакты доступны после оплаты рекламы
- Описание
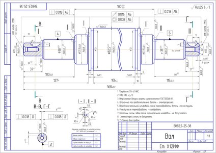
Необходимо выполнить два шпоночных паза на валу. Партия 30 штук.