Внимание! На сайте появились неблагонадежные исполнители. Подробности
Ваше местоположение: США, Калифорния, Эль-Монте
(Архив) Заказ #15824 от 18.09.2025
- Тип
- Услуги
- Категории
- Вырубка металла, Готовые изделия, Зубообработка, Фрезерные работы, Шлифование металла
- Местоположение
- Россия, Москва (9763 км)
- Имя
- Андрей
- Телефон
Эл. почта - Контакты доступны после оплаты рекламы
- Описание
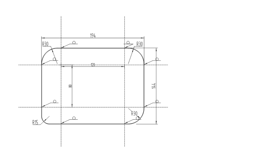
День добрый
Возможно ли изготовление вырубных ножей -2 шт
Высота 44 мм