Внимание! На сайте появились неблагонадежные исполнители. Подробности
Ваше местоположение: США, Калифорния, Эль-Монте
(Архив) Заказ #15793 от 10.06.2025
- Тип
- Услуги
- Категории
- Изготовление шестерен и зубчатых колес
- Местоположение
- Россия, Новосибирская область, Новосибирск (9906 км)
- Имя
- Георгий Юрьевич
- Телефон
Эл. почта - Контакты доступны после оплаты рекламы
- Описание
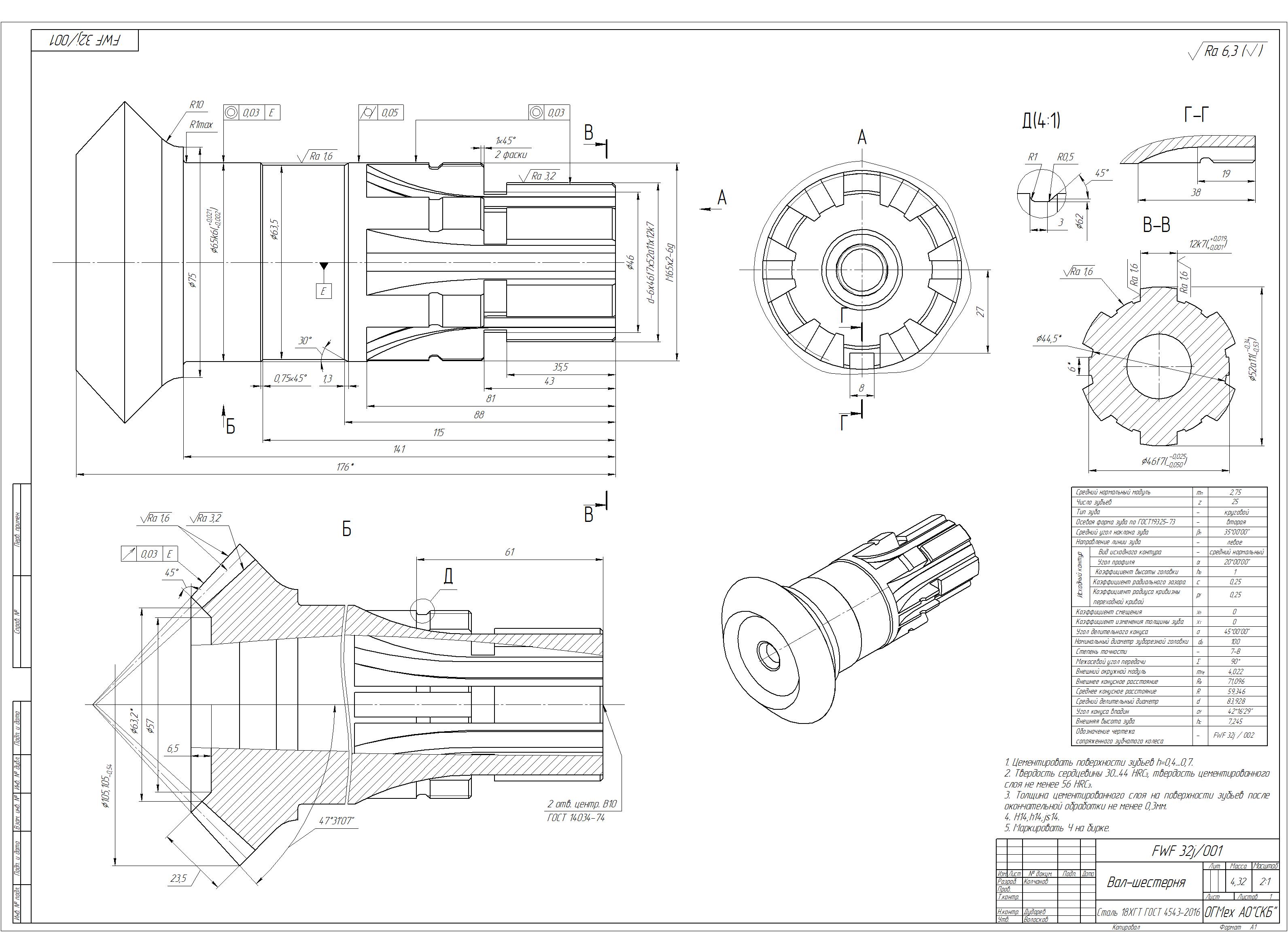
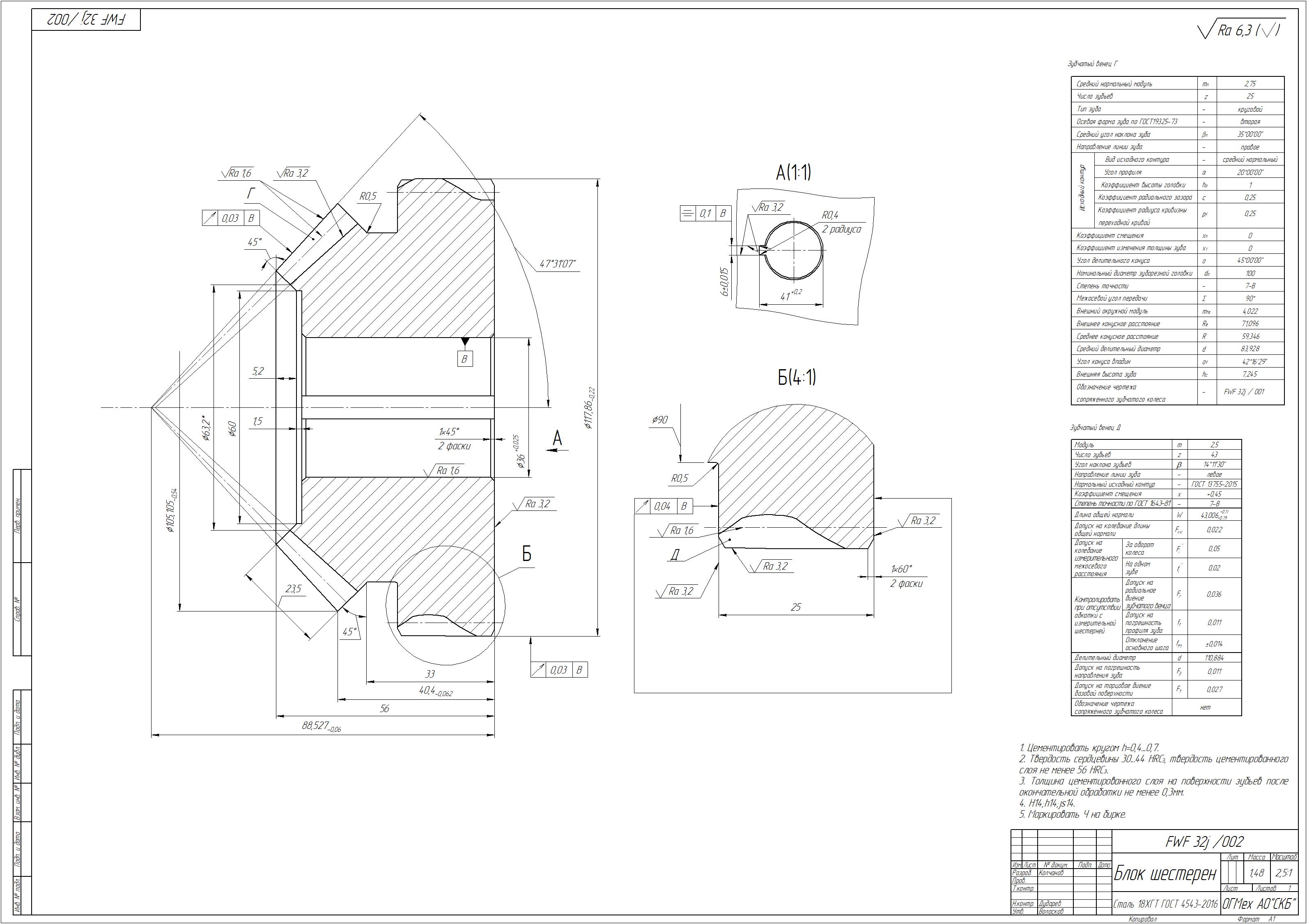
Требуется изготовить вал-шестерню и блок шестерен согласно чертежей по 1 шт. каждого наименования.