Внимание! На сайте появились неблагонадежные исполнители. Подробности
Ваше местоположение: США, Калифорния, Эль-Монте
(Архив) Заказ #15774 от 12.05.2025
2.5 МБ
.jpg
Образец_покраски.jpg
2.6 МБ
.jpg
7_Основание.jpg
1.9 МБ
.jpg
14_Панель_задняя.jpg
1.7 МБ
.jpg
11_Крышка.jpg
1.6 МБ
.jpg
9_Втулка_под_световод.jpg
1.6 МБ
.jpg
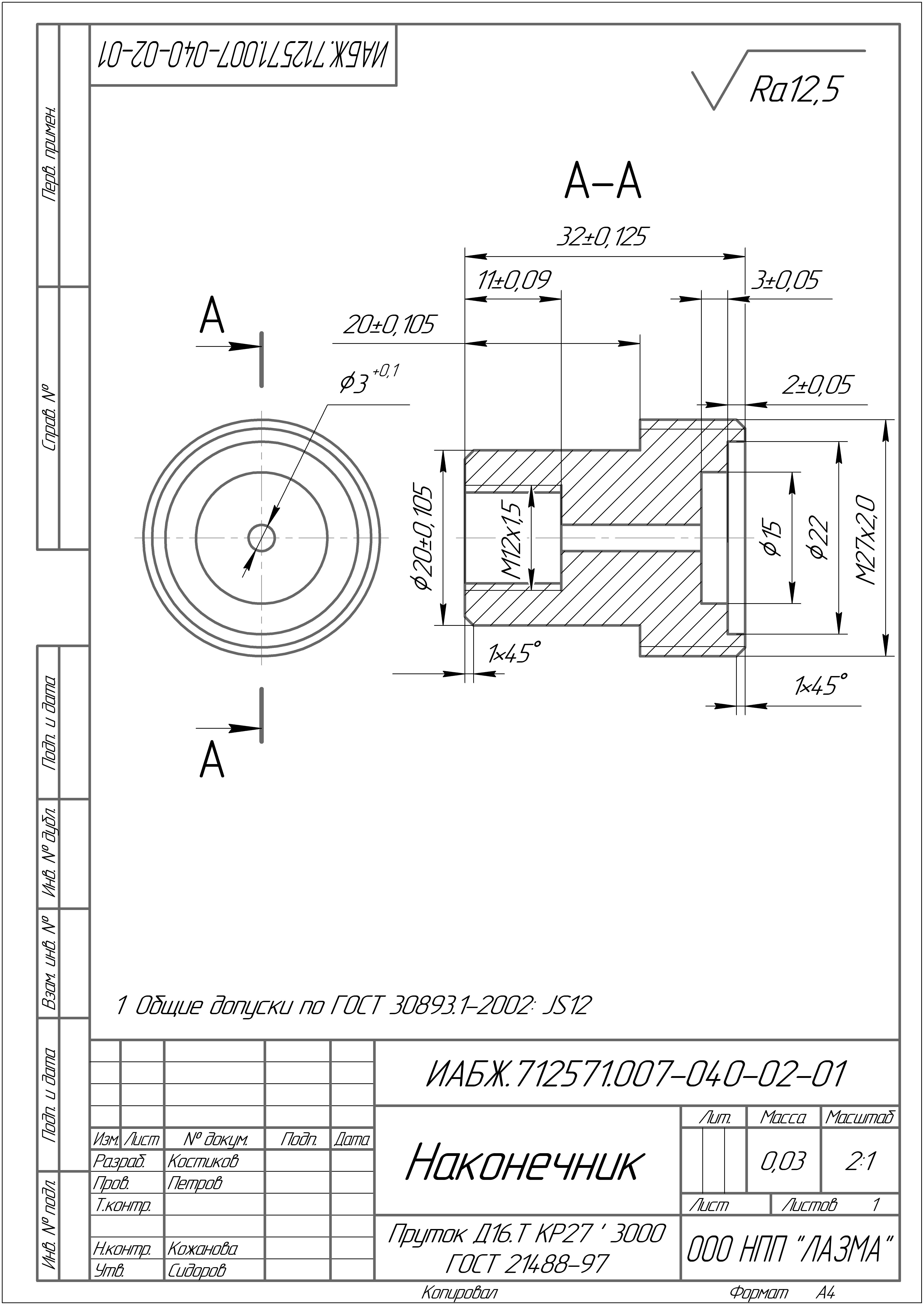
5_Наконечник.jpg
1.6 МБ
.jpg
2_Кольцо.jpg
1.5 МБ
.jpg
8_Втулка.jpg
1.5 МБ
.jpg
3_Кольцо_зажимное.jpg
1.5 МБ
.jpg
12_Радиатор_635.jpg
1.3 МБ
.jpg
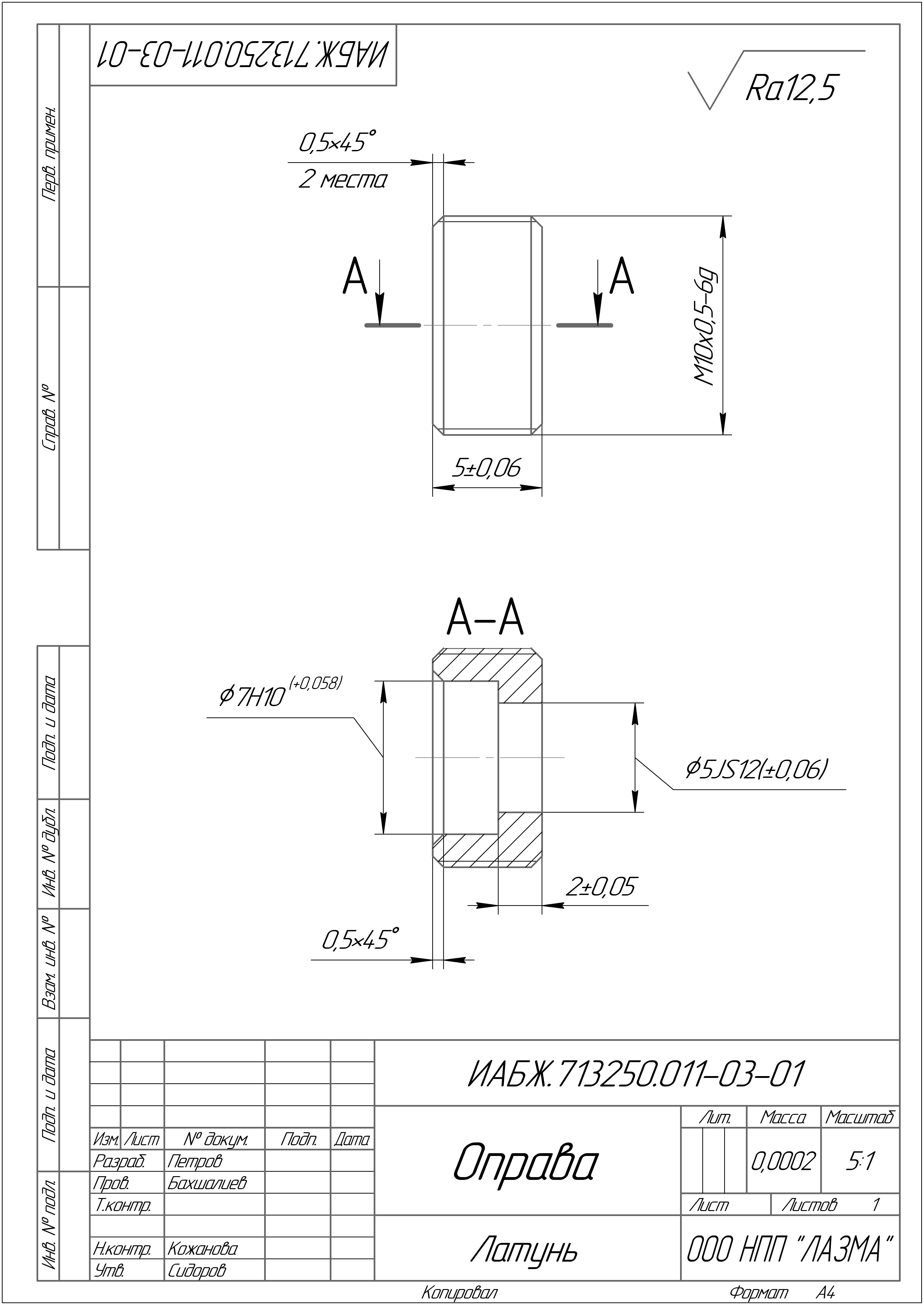
10_Оправа.jpg
12.4 КБ
.xlsx
Спецификация.xlsx
641.7 КБ
.jpg
6_Подставка_под_основание.jpg
137.2 КБ
.jpg
13_Уголок-радиатор.jpg
45.8 КБ
.jpg
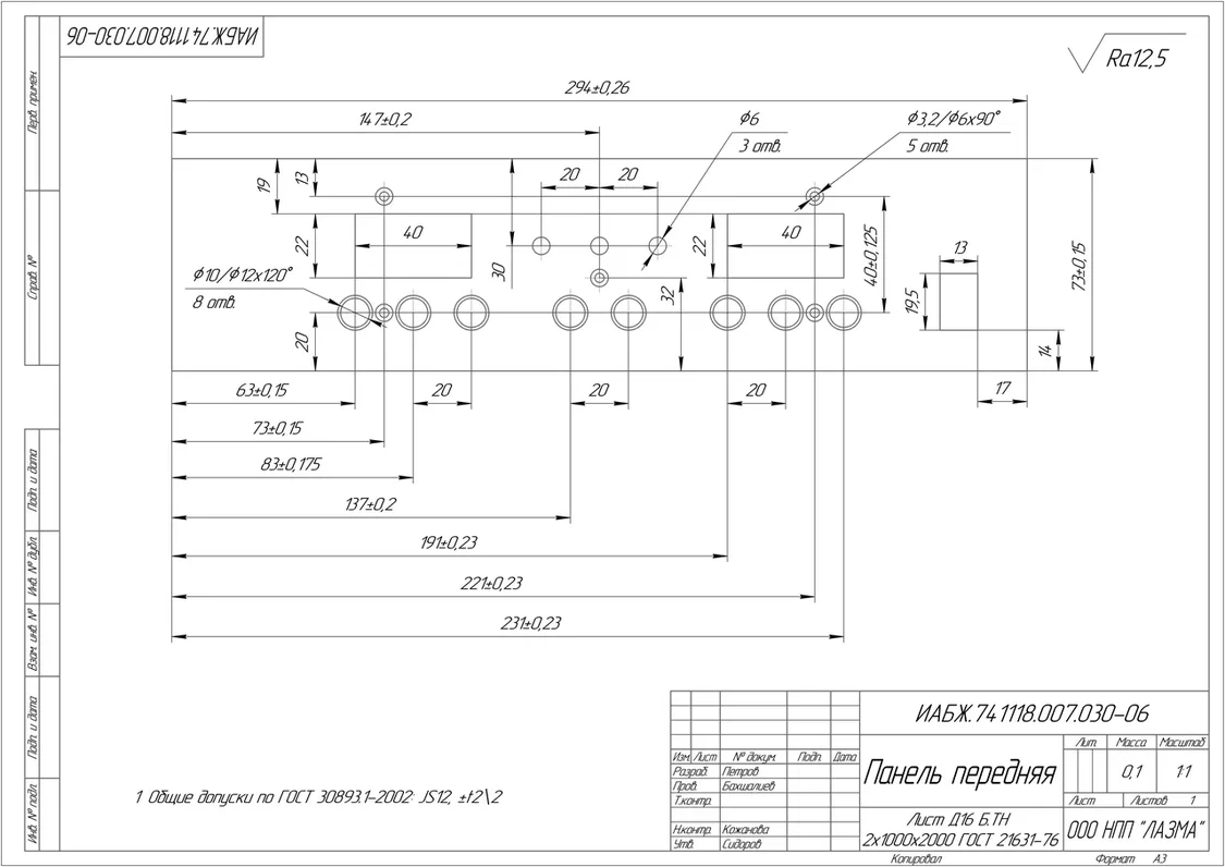
1_Панель_передняя.jpg
3.9 МБ
.jpg
4_Адаптер.jpg
Скачать все файлы одним архивом
- Тип
- Услуги
- Категории
- Лазерная резка, Токарные работы
- Местоположение
- Россия, Москва (9763 км)
- Имя
- Евгений
- Телефон
Эл. почта - Контакты доступны после оплаты рекламы
- Описание
Запрос коммерческого предложения на изготовление деталей в соответствии с прилагаемыми чертежами. Требуется покрытие (покраска) деталей № 2, 4, 5, 6, 7.
Предложения по заказу
Свердловская область, Екатеринбург
(9906 км)
15.05.2025 12:59 - Анна
Добрый день! Тех возможность изготовления имеется. Просьба продублировать чертежи на эл.почту atabatchikova@npp-ctm.ru. Заранее спасибо!
Срок: 45
Стоимость: 1111
Стоимость: 1111
Россия, Новгородская область, Великий Новгород
(9332 км)
14.05.2025 09:24 - troshkov.s.m
Добрый день. Готовы изготовить. ТКП отправим обратным письмом
Срок: По договоренности
Стоимость: По договоренности
Стоимость: По договоренности
Россия, Орловская область, Орёл
(10018 км)
13.05.2025 13:57 - Алексей
Добрый день. Мы металлообрабатывающее предприятие. Сведения о нас вы моежете посмотреть перейдя по ссылке на наш сайт https://factorym.ru/. Готовы изготовить изделия по вашим чертежам. Прошу дать обратную связь для дальнейшего сотрудничества, с уважением компания Мануфактура.
Срок: По договоренности
Стоимость: По договоренности
Стоимость: По договоренности