Внимание! На сайте появились неблагонадежные исполнители. Подробности
Ваше местоположение: США, Калифорния, Эль-Монте
(Архив) Заказ #15743 от 15.04.2025
- Тип
- Продукция
- Категории
- Типовые изделия
- Местоположение
- Россия, Калининградская область, Калининград (9379 км)
- Имя
- Али Абшаев
- Телефон
Эл. почта - Контакты доступны после оплаты рекламы
- Описание
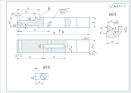
Изделие ПУРУ 31.02.004 Упор;
Сталь 20;
Кол-во - 300 шт.
Предложения по заказу
Россия, Москва
(9763 км)
22.04.2025 09:58 - АО "ТЕХОС"
Доброе утро, Али!
У нас производство полного цикла: гальваника, термичка, ТВЧ, огромный парк станков, как универсальных так и ЧПУ, участок сварки, участок порошковой покраски.
Будем рады взаимному сотрудничеству.
Хорошего дня!
Срок: 40-60 р. д.
Стоимость: 2 211,60 руб. за 1 шт. с НДС
Стоимость: 2 211,60 руб. за 1 шт. с НДС
Россия, Тверская область, Тверь
(9611 км)
16.04.2025 09:10 - Вадим Васильев
Добрый день ООО "Стартехпром"! Имеем возможность изготовить ваши детали, прошу выслать чертежи на почту и дать обратную связь для контакта с Вами.
Срок: по согласованию с заказчиком
Стоимость: по согласованию
Стоимость: по согласованию