Ваше местоположение: США, Калифорния, Эль-Монте
Тип
Услуги
Категории
Изготовление втулок
Местоположение
Санкт-Петербург (9167 км)
Имя
Тамара
Телефон
Эл. почта
Контакты доступны после оплаты рекламы
Описание

Прошу направить коммерческое предложение на изготовление деталей.

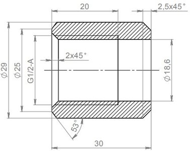
Требуется изготовить втулки. 

Втулка изготавливается из г/к прутка диаметром 30мм сталь 20. 

Минимальная партия 1000шт. 

Максимальная партия 3000шт. 

Рассматриваем предложения в диапазоне цен за работу 30 - 35 рублей с НДС за штуку. 

Материал обговаривается отдельно. Или материал предоставляем мы или материал Ваш и мы его дополнительно оплачиваем. 

Отталкиваемся от стоимости материала в СПб 58000р/тн.

Сроки выполнения работ - максимально срочно. 

Заказываем для нужд своего производства.

Файл и реквизиты прилагаю.


Предложения по заказу

Свердловская область, Екатеринбург (9906 км) 09.02.2025 19:00 - Григорий Порозов

Готов выполнить ваш заказ.

Срок: 20 смен.
Стоимость: 30
Телефон: +7 950 545-37-87
Email: porozov_63@mail.ru
Свердловская область, Екатеринбург (9906 км) 09.02.2025 19:00 - Григорий Порозов

Готов выполнить ваш заказ.

Срок: 20 смен.
Стоимость: 30
Телефон: +7 950 545-37-87
Email: porozov_63@mail.ru
Войдите на сайт, чтобы отправить предложение